- Công tơ điện tử 3 pha 3 giá EMIC ME-41 đo đếm gián tiếp qua biến dòng (TI hoặc CT) đo lường hạ thế

Các thông số chính Công tơ điện tử 3 pha 3 giá gián tiếp ME-41
- Điện áp danh định pha : 220-240VAC
- Tần số danh định : 50Hz
- Dòng điện định mức : 5A
- Dòng điện quá tải : 6A
- Dải điện áp giới hạn làm việc danh định : 0.9-1.1 Un
- Tải khởi động : 0.004In
- Hằng số công tơ : 800imp/kWh
- Cấp chính xác : 0.5S
- Số biểu giá : 3
- Hiển thị LCD 2 dòng dạng LED 7 đoạn
- Truyền thông sóng rf, đọc thông số qua bộ đọc chuyên dụng
- Hiển thị năng lượng Hữu công 2 chiều giao-nhận
- Hiển thị năng lượng Vô công 4 góc phần tư
- Hiển thị năng lượng biểu kiến 2 chiều giao-nhận
- Hiển thị hệ số công suất 3 pha
- Hiển thị dòng điện
- Hiển thị điện áp
- Hiển thị tần số
- Cài đặt tỷ số TU, TI
- Lưu được 36 hoá đơn quá khứ. Mỗi hoá đơn bao gồm tất cả các dạng năng lượng và tải lớn nhất (Maxdemand)
Cấu tạo công tơ điện tử 3 pha 3 giá Gelex EMIC ME-41
- Đế công tơ bằng nhựa PC có cơ tính cao, chịu va đập mạnh, chống cháy, trên đế có bố trí cổng RS-485 cho việc truyền thông và các đầu xung kiểm hữu công và vô công, xung thời gian.
- Ổ đấy dây bằng nhựa PC, chứa các đầu nối dây điện áp và dòng điện bằng đồng khối mạ Niken màu trắng sáng, có các vít bắt dây dẫn điện, đảm bảo tiếp xúc tốt và không bị gỉ.
- Nắp công tơ bằng nhựa PC trong suốt, có gắn mặt số, chịu va đập mạnh, chịu nhiệt độ cao, chịu tia cực tím, chống cháy. Trên nắp có 2 phím bấm điều khiển và cổng giao tiếp quang học.
- Nắp che ổ đấu dây bằng nhựa PC đảm bảo che kín đầu nối và cáp đấu, chịu va đập, chống cháy.
- Bo mạch điện tử đựoc thiết kế trên cơ sở các linh kiện chuyên dụng của các hãng nổi tiếng trên thế giới. Mạch điện nhỏ gọn, làm việc tin cậy, đơn giản trong sửa chữa và bảo trì. Mạch điện đựoc gia công hàn dán và kiểm tra hiệu chỉnh trên dây chuyền công nghệ hiện đại của Tây Âu và Nhật Bản. Bo mạch sau khi chế tạo xong đựoc sơn phủ bề mặt để nhiệt đới hoá, đảm bảo hoạt động tốt trong điều kiện độ ẩm của không khí tới 95%. Sau đó được lắp chặt vào đế công tơ bằng 3 chốt định vị và 2 vấu cài, đảm bảo không bị lung lay, xô lệch khi vận chuyển.
- Màn hiển thị LCD của công tơ là loại màn hình tinh thể lỏng, có kích thước lớn, có khả năng hiển thị nhiều thông số, chịu được nhiệt độ cao tới 75 0C và tia cực tím phù hợp với điều kiện nhiệt đới hoá và thời tiết Việt Nam.
- Pin Công tơ sử dụng Pin Lithium có tuổi thọ 10 năm trong điều kiện làm việc liên tục trên lưới điện và ít nhất 2 năm bảo quản công tơ trong kho.
Các chỉ thị và cảnh báo hiển thị trên công tơ điện tử 3 pha trực tiếp EMIC ME-41:

Hướng dẫn sử dụng và lắp đặt:
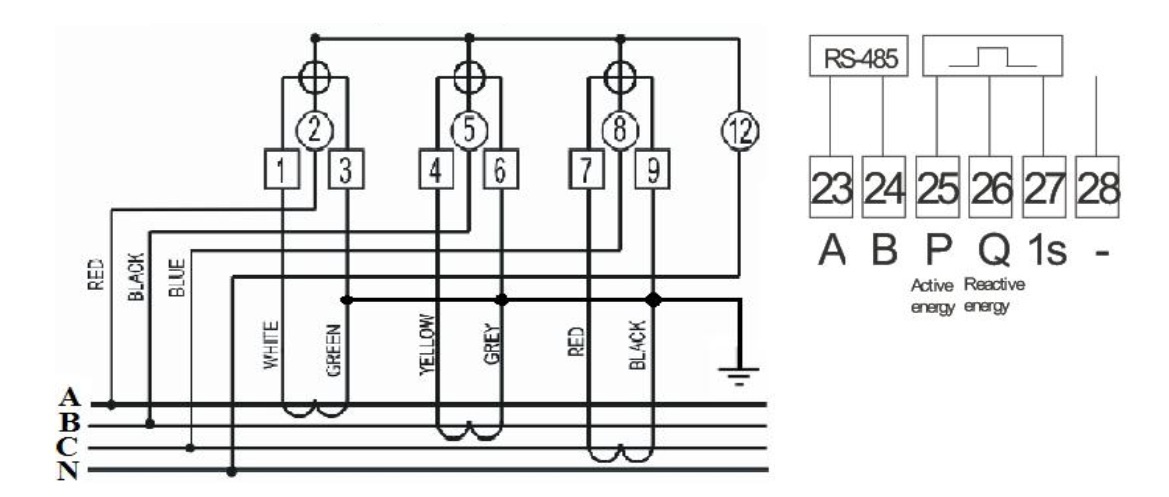
- Công tơ điện tử 3 pha 3 giá trực tiếp Gelex EMIC ME-41 được đấu nối theo sơ đồ 3 pha bốn dây.

- Mô tả thông số hiển thị trên công tơ điện 3 pha 3 giá trực tiếp Gelex EMIC ME-41:

Cam kết mua hàng tại congtodien.net:
- Sản phẩm công tơ điện tử 3 pha EMIC ME-41 khi giao hàng đến khách hàng sẽ đi kèm với giấy chứng nhận xuất xưởng của hãng (tờ giấy A5 bên trong công tơ) , nếu khách hàng chọn mua hàng có kiểm định của điện lực sẽ kèm theo giấy Chứng Nhận Kiểm Định
- Thiết bị công tơ điện tử 3 pha ME-41 sẽ được bảo hàng 18 tháng kể từ ngày giao hàng và 1 đổi 1 trong vòng 12 tháng nếu có lỗi do nhà sản xuất . Ngoài ra có sách hướng dẫn bên trong hốp giấy.

