Công tơ điện tử 3 pha Elster A1700 - Mã: PB3KAAGHT-5

Các thông số chính công tơ điện tử 3 pha Elster A1700 PB3FAAGHT-5:
- Điện áp: (58/100 ÷ 240/415)VAC
- Dòng điện: 5(10)A
- Phạm vi đo lường: Giao/nhận kWh ; 4Q kVArh; kVAh
- Cấp chính xác: 0,5s
- Hiển thị và giám sát các giá trị đo: V, I, PF, W, VAr, VA...
- Tần số : 50 Hz hoặc 60 Hz
- Các thanh ghi thời gian sử dụng với cấu trúc biểu giá linh hoạt
- Các thanh ghi biểu đồ phụ tải với thời gian tích phân có thể lập trình (1÷60) phút
- Kích thước: Cao 297mm x Rộng 170mm x Sâu 81mm

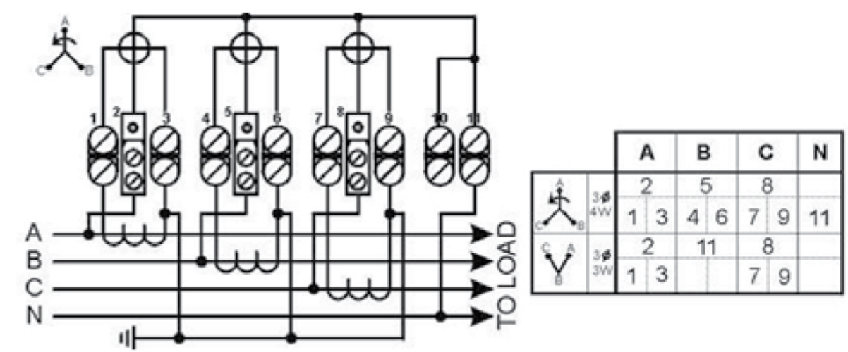
- Sơ đồ đấu dây 3 pha 4 dây và 3 pha 3 dây

Các Sản Phầm Cùng Loại
| Mã hàng | Thông tin sản phẩm | Thông số kỹ thuật |
| PB3KAAGHT-5 | Công tơ điện tử 3 pha 3 giá gián tiếp A1700 | 1(1.2)A, Class 0.5 |
| PB3FAAGHT-5 | Công tơ điện tử 3 pha 3 giá Elster A1700 | 5(10)A, Class 0.5 |
| PB3KAAGHT-5 | Công tơ điện tử 3 pha 3 giá trực tiếp A1700 | 10(100)A, Class 1 |
| PB3AABGHT-5 | Công tơ điện tử 3 pha 3 giá trực tiếp A1700 | 40(100)A, Class 1 |


